蓄能器式液控蝶阀(连杆传动)
产品简介
液控缓闭蝶阀是目前国内外较先进的管路控制设备,主要安装于水电站水轮机进口,用作水轮机进口阀;或安装于水利、电力、给排水等各类泵站的水泵出口,替代止回阀和闸阀的功能。本公司生产的液控缓闭蝶阀流阻系数小、智能化程度高、功能齐全、性能稳定可靠。工作时,阀门与管道主机配合,按照水力过渡过程原理,通过预设的启闭程序,有效消除管路水锤,实现管路的可靠截止,起到保护管路系统安全的作用。
销售热线:
产品详情
产品主要特点The main features of this product
1、可取代水泵出口处原电动闸阀和止回阀的功能且机、电、液系统集成为一个整体,减少占地面积及基建投资。
2、电液控制功能齐全,无需另外配置即可以作为一个独立的系统单机就地调试、控制;也可以作为集散性控制系统(DCS)的一个设备单元,通过I/O通道由中央计算机进行集中管理,与水泵、水轮机、旁通阀及其他管道设备实现联动操作;并配有手动功能,无动力电源时也可以实现手动开、关阀,满足特殊工况条件下的阀门调试、控制要求。
3、可控性好,调节范围大、适应性强。电液控制系统设有多处调节点,可以按不同的管道控制要求进行启闭程序设置,保证在满足开、关阀条件时,阀门能够自动按预先设定的时间、角度开启和分快、慢速度关闭。并能实现无电关阀有效消除破坏性水锤,防止水泵和水轮机组飞逸事故的发生,降低管网系统的压力波动,保障设备的安全可靠运行。
4、主阀密封为三偏心金属密封或双偏心橡胶密封结构,启闭轻松、密封可靠;并有一道额外加大的偏心,使阀门具有良好的自关闭、自密封性能。中、小口径蝶板设计成流线型平板结构,大口径蝶板设计面双平板桁架式结构,水流平顺,阀门流阻系数小,节能效果明显。
主要技术参数Main Technical Parameters
|
产品标准Product standards |
JB/T 5299、GB/T 14478、GB/T 12238、JB/T 8527 |
||||
|
传动装置Transmission |
JB/T 5299 Q/BZZ 09 |
||||
|
结构⻓度Face to face |
GB/T 12221 |
||||
|
配管法兰Piping flange |
灰铸铁法兰Grey cast ironflange |
GB/T 17241.6 |
|||
|
球墨铸铁法兰Ductile ironflanges |
GB/T 12380.1~12380.3 |
||||
|
钢制法兰Steel flange |
GB/T 9124 |
||||
|
蓄能器标准Accumulator Standard |
GB/T 2352 |
||||
|
试验与检验Test and Inspection |
GB/T 14478、GB/T 13927 |
||||
|
质量保证Quality assurance |
ISO9001 |
||||
|
公称通径Nominal diameter(DN) |
150~5000mm |
||||
|
公称压⼒Nominal pressure(PN) |
0.25~6.4MPa |
||||
|
试验压力
|
密封 |
1.1×PN |
|||
|
强度 |
1.5×PN |
||||
|
⼯作压⼒Work pressure(MPa) |
≤1.0×PN |
||||
|
介质温度Medium temperature(℃) |
≤80℃ |
||||
|
管道介质Pipeline medium |
清⽔、海⽔、泥沙⽔、油品等Clear water, sea water, sediment water, oil, etc. |
||||
|
|
公称通径Nominal diameter |
<1000 |
≥1000 |
||
|
开阀时间Valve opening time |
10~60秒(可调 Adjustable) |
20~120秒(可调Adjustable ) |
|||
|
关阀时间Valve closing time |
快关Quick close |
1.5~15秒(可调Adjustable) |
2.5~30秒(可调Adjustable) |
||
|
慢关Slow off |
2.5~60秒(可调Adjustable) |
6~90秒(可调Adjustable) |
|||
|
关阀⻆度Valve closing angle |
快关Quick close |
75°±10°(可调Adjustable) |
75°±10°(可调Adjustable) |
||
|
慢关Slow off |
15°±10°(可调Adjustable) |
15°±10°(可调Adjustable) |
|||
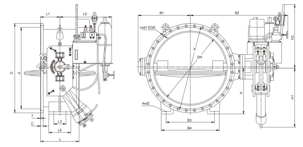
蓄能器式液控蝶阀(连杆传动)主要外形尺寸
Main external dimensions of accumulator-type hydraulic butterfly valve (linkage transmission) PN=0.6Mpa
|
DN |
L |
D |
K |
d |
C |
f |
n |
d1 |
d2 |
L1 |
L2 |
L3 |
L4 |
H |
H1 |
|
1000 |
410 |
1176 |
1120 |
1078 |
26 |
5 |
28 |
30 |
36 |
345 |
820 |
200 |
360 |
690 |
300 |
|
1200 |
470 |
1405 |
1340 |
1295 |
28 |
5 |
32 |
33 |
36 |
430 |
820 |
200 |
360 |
810 |
415 |
|
1300 |
530 |
1520 |
1450 |
1405 |
32 |
5 |
32 |
33 |
42 |
430 |
940 |
260 |
400 |
860 |
415 |
|
1400 |
530 |
1630 |
1560 |
1510 |
32 |
5 |
36 |
36 |
42 |
430 |
940 |
260 |
400 |
940 |
415 |
|
1500 |
600 |
1730 |
1660 |
1610 |
34 |
5 |
36 |
36 |
42 |
480 |
940 |
260 |
400 |
1000 |
625 |
|
1600 |
600 |
1830 |
1760 |
1710 |
34 |
5 |
40 |
36 |
42 |
480 |
940 |
270 |
400 |
1080 |
625 |
|
1750 |
670 |
1995 |
1920 |
1868 |
36 |
5 |
44 |
39 |
42 |
480 |
1050 |
300 |
500 |
1130 |
625 |
|
1800 |
670 |
2045 |
1970 |
1918 |
36 |
5 |
44 |
39 |
42 |
480 |
1050 |
300 |
500 |
1130 |
625 |
|
2000 |
760 |
2265 |
2180 |
2125 |
38 |
5 |
48 |
42 |
42 |
520 |
1130 |
360 |
560 |
1250 |
830 |
|
2200 |
590 |
2475 |
2390 |
2335 |
42 |
6 |
52 |
42 |
42 |
520 |
1130 |
300 |
450 |
1320 |
830 |
|
2400 |
650 |
2685 |
2600 |
2545 |
45 |
6 |
56 |
42 |
48 |
520 |
1350 |
350 |
500 |
1440 |
830 |
|
2600 |
700 |
2905 |
2810 |
2750 |
46 |
6 |
60 |
48 |
48 |
600 |
1350 |
400 |
550 |
1520 |
960 |
|
2800 |
760 |
3115 |
3020 |
2960 |
48 |
6 |
64 |
48 |
48 |
600 |
1350 |
500 |
650 |
1620 |
960 |
|
3000 |
810 |
3315 |
3220 |
3160 |
50 |
6 |
68 |
48 |
48 |
650 |
1420 |
550 |
700 |
1720 |
1000 |
|
3200 |
870 |
3525 |
3430 |
3370 |
54 |
6 |
72 |
48 |
48 |
650 |
1420 |
600 |
750 |
1820 |
1000 |
|
3400 |
920 |
3735 |
3640 |
3580 |
56 |
6 |
76 |
48 |
48 |
700 |
1540 |
650 |
800 |
1920 |
1000 |
|
3500 |
920 |
3840 |
3745 |
3685 |
58 |
6 |
80 |
48 |
48 |
700 |
1540 |
650 |
800 |
1980 |
1200 |
|
3600 |
970 |
3970 |
3860 |
3790 |
62 |
6 |
80 |
56 |
48 |
700 |
1540 |
700 |
850 |
2050 |
1200 |
|
3800 |
1020 |
4180 |
4065 |
3990 |
66 |
6 |
80 |
62 |
48 |
800 |
1750 |
750 |
900 |
2150 |
1400 |
|
4000 |
1070 |
4380 |
4265 |
4190 |
70 |
6 |
84 |
62 |
48 |
800 |
1750 |
800 |
950 |
2250 |
1400 |
蓄能器式液控蝶阀(连杆传动)主要外形尺寸
Main external dimensions of accumulator-type hydraulic butterfly valve (linkage transmission) PN=1.0Mpa
|
DN |
L |
D |
K |
d |
C |
f |
n |
d1 |
d2 |
L1 |
L2 |
L3 |
L4 |
H |
H1 |
H2 |
|
1000 |
410 |
1230 |
1160 |
1112 |
38 |
5 |
28 |
36 |
36 |
430 |
920 |
200 |
360 |
690 |
415 |
835 |
|
1100 |
410 |
1340 |
1270 |
1222 |
42 |
5 |
28 |
36 |
36 |
430 |
920 |
200 |
360 |
750 |
415 |
835 |
|
1200 |
470 |
1455 |
1380 |
1328 |
44 |
5 |
32 |
39 |
36 |
430 |
920 |
200 |
360 |
810 |
415 |
835 |
|
1250 |
470 |
1505 |
1430 |
1378 |
44 |
5 |
32 |
39 |
36 |
430 |
920 |
200 |
360 |
810 |
415 |
835 |
|
1300 |
530 |
1575 |
1490 |
1425 |
44 |
5 |
32 |
42 |
42 |
430 |
920 |
260 |
400 |
860 |
415 |
835 |
|
1400 |
530 |
1675 |
1590 |
1530 |
48 |
5 |
36 |
42 |
42 |
480 |
1050 |
260 |
400 |
940 |
620 |
930 |
|
1500 |
600 |
1785 |
1700 |
1640 |
48 |
5 |
36 |
48 |
42 |
480 |
1050 |
260 |
400 |
1000 |
620 |
930 |
|
1600 |
600 |
1915 |
1820 |
1750 |
52 |
5 |
40 |
48 |
42 |
480 |
1050 |
270 |
400 |
1080 |
620 |
930 |
|
1750 |
670 |
2065 |
1970 |
1900 |
54 |
5 |
44 |
48 |
42 |
480 |
1050 |
300 |
500 |
1130 |
620 |
930 |
|
1800 |
670 |
2115 |
2020 |
1950 |
56 |
5 |
44 |
48 |
42 |
480 |
1050 |
300 |
500 |
1130 |
620 |
930 |
|
2000 |
760 |
2325 |
2230 |
2150 |
60 |
5 |
48 |
48 |
42 |
520 |
1130 |
360 |
560 |
1250 |
830 |
1275 |
|
2200 |
590 |
2550 |
2440 |
2370 |
60 |
6 |
52 |
56 |
42 |
520 |
1130 |
300 |
450 |
1320 |
830 |
1275 |
|
2250 |
590 |
2600 |
2490 |
2420 |
60 |
6 |
52 |
56 |
42 |
520 |
1130 |
300 |
450 |
1320 |
910 |
2275 |
|
2400 |
650 |
2760 |
2650 |
2570 |
64 |
6 |
56 |
56 |
48 |
520 |
1130 |
350 |
500 |
1440 |
960 |
2370 |
|
2600 |
700 |
2960 |
2850 |
2780 |
66 |
6 |
60 |
56 |
48 |
520 |
1220 |
400 |
550 |
1520 |
960 |
2370 |
|
2800 |
760 |
3180 |
3070 |
3000 |
68 |
6 |
64 |
56 |
48 |
600 |
1220 |
500 |
650 |
1620 |
1000 |
2370 |
|
3000 |
810 |
3405 |
3290 |
3210 |
72 |
6 |
68 |
62 |
48 |
600 |
1220 |
550 |
700 |
1720 |
1000 |
2470 |
|
3200 |
870 |
3655 |
3540 |
3460 |
82 |
6 |
72 |
62 |
48 |
650 |
1220 |
600 |
750 |
1820 |
1000 |
2470 |
蓄能器式液控蝶阀(连杆传动)主要外形尺寸
Main external dimensions of accumulator-type hydraulic butterfly valve (linkage transmission) PN=1.6Mpa
|
DN |
L |
D |
K |
d |
C |
f |
n |
d1 |
d2 |
L1 |
L2 |
L3 |
L4 |
H |
H1 |
H2 |
|
1100 |
410 |
1425 |
1315 |
1245 |
60 |
5 |
28 |
55 |
36 |
430 |
920 |
200 |
360 |
750 |
415 |
835 |
|
1200 |
470 |
1530 |
1420 |
1350 |
62 |
5 |
32 |
55 |
36 |
480 |
920 |
200 |
360 |
810 |
625 |
925 |
|
1250 |
470 |
1575 |
1470 |
1400 |
62 |
5 |
32 |
55 |
36 |
480 |
920 |
200 |
360 |
810 |
625 |
925 |
|
1300 |
530 |
1640 |
1530 |
1450 |
70 |
5 |
32 |
60 |
42 |
480 |
920 |
260 |
400 |
860 |
625 |
925 |
|
1400 |
530 |
1755 |
1640 |
1560 |
76 |
5 |
36 |
60 |
42 |
480 |
1030 |
260 |
400 |
940 |
630 |
1270 |
|
1500 |
600 |
1865 |
1750 |
1670 |
80 |
5 |
36 |
60 |
42 |
520 |
1030 |
260 |
400 |
1000 |
630 |
1270 |
|
1600 |
600 |
1975 |
1860 |
1780 |
84 |
5 |
40 |
60 |
42 |
520 |
1030 |
270 |
400 |
1080 |
630 |
1270 |
|
1750 |
670 |
2145 |
2020 |
1935 |
90 |
5 |
44 |
68 |
42 |
520 |
1150 |
300 |
500 |
1130 |
910 |
2070 |
|
1800 |
670 |
2195 |
2070 |
1985 |
90 |
5 |
44 |
68 |
42 |
600 |
1150 |
300 |
500 |
1130 |
910 |
2070 |
|
2000 |
760 |
2425 |
2300 |
2210 |
96 |
5 |
48 |
68 |
42 |
600 |
1240 |
360 |
560 |
1250 |
910 |
2275 |
|
2200 |
590 |
2660 |
2520 |
2430 |
106 |
6 |
52 |
72 |
42 |
600 |
1240 |
300 |
450 |
1320 |
960 |
2275 |
蓄能器式液控蝶阀(连杆传动)主要外形尺寸
Main external dimensions of accumulator-type hydraulic butterfly valve (linkage transmission) PN=2.5Mpa
|
DN |
L |
D |
K |
d |
C |
f |
n |
d1 |
d2 |
L1 |
L2 |
L3 |
L4 |
H |
H1 |
H2 |
|
1000 |
410 |
1255 |
1170 |
1112 |
46 |
5 |
28 |
42 |
36 |
430 |
920 |
200 |
360 |
690 |
415 |
835 |
|
1100 |
410 |
1370 |
1280 |
1222 |
46 |
5 |
28 |
42 |
36 |
430 |
920 |
200 |
360 |
750 |
415 |
835 |
|
1200 |
470 |
1485 |
1390 |
1328 |
52 |
5 |
32 |
48 |
36 |
480 |
920 |
200 |
360 |
810 |
625 |
925 |
|
1250 |
470 |
1535 |
1440 |
1378 |
52 |
5 |
32 |
48 |
36 |
480 |
920 |
200 |
360 |
810 |
625 |
925 |
|
1300 |
530 |
1585 |
1490 |
1425 |
54 |
5 |
32 |
48 |
42 |
480 |
940 |
260 |
400 |
860 |
625 |
925 |
|
1400 |
530 |
1685 |
1590 |
1530 |
58 |
5 |
36 |
48 |
42 |
480 |
940 |
260 |
400 |
940 |
630 |
1270 |
|
1500 |
600 |
1820 |
1710 |
1640 |
60 |
5 |
36 |
48 |
42 |
520 |
940 |
260 |
400 |
1000 |
630 |
1270 |
|
1600 |
600 |
1930 |
1820 |
1750 |
64 |
5 |
40 |
55 |
42 |
520 |
940 |
270 |
400 |
1080 |
630 |
1270 |
|
1750 |
670 |
2080 |
1970 |
1900 |
66 |
5 |
44 |
55 |
42 |
520 |
1050 |
300 |
500 |
1130 |
630 |
1270 |
|
1800 |
670 |
2130 |
2020 |
1950 |
68 |
5 |
44 |
55 |
42 |
520 |
1050 |
300 |
500 |
1130 |
630 |
1270 |
|
2000 |
760 |
2345 |
2230 |
2150 |
70 |
5 |
48 |
60 |
42 |
520 |
1130 |
360 |
560 |
1250 |
630 |
1275 |
|
2250 |
590 |
2605 |
2490 |
2420 |
70 |
6 |
52 |
62 |
42 |
600 |
1130 |
300 |
450 |
1320 |
910 |
2275 |
|
2300 |
650 |
2635 |
2540 |
2460 |
75 |
6 |
52 |
62 |
48 |
600 |
1130 |
350 |
500 |
1370 |
960 |
2370 |
蓄能器式液控蝶阀(连杆传动)主要外形尺寸
Main external dimensions of accumulator-type hydraulic butterfly valve (linkage transmission) PN=4.0Mpa
|
DN |
L |
D |
K |
d |
C |
f |
n |
d1 |
d2 |
L1 |
L2 |
L3 |
L4 |
H |
H1 |
H2 |
|
1000 |
550 |
1360 |
1250 |
1180 |
78 |
5 |
28 |
56 |
36 |
430 |
920 |
200 |
360 |
690 |
415 |
835 |
|
1100 |
550 |
1470 |
1360 |
1290 |
80 |
5 |
28 |
56 |
36 |
430 |
920 |
200 |
360 |
750 |
415 |
835 |
|
1200 |
630 |
1570 |
1460 |
1380 |
84 |
5 |
32 |
62 |
36 |
480 |
920 |
200 |
360 |
810 |
625 |
925 |
|
1250 |
630 |
1600 |
1490 |
1410 |
84 |
5 |
32 |
62 |
36 |
480 |
920 |
200 |
360 |
810 |
625 |
925 |
|
1300 |
630 |
1685 |
1575 |
1495 |
86 |
5 |
32 |
62 |
42 |
480 |
1030 |
260 |
400 |
860 |
625 |
925 |
|
1400 |
530 |
1795 |
1680 |
1600 |
88 |
5 |
36 |
62 |
42 |
520 |
1030 |
260 |
400 |
940 |
910 |
1770 |
|
1500 |
530 |
1905 |
1790 |
1710 |
60 |
5 |
36 |
62 |
42 |
520 |
1030 |
260 |
400 |
1000 |
910 |
1770 |
|
1600 |
600 |
2025 |
1900 |
1815 |
98 |
5 |
40 |
70 |
42 |
520 |
1150 |
270 |
400 |
1080 |
910 |
2070 |
|
1750 |
670 |
2215 |
2070 |
1985 |
108 |
5 |
44 |
72 |
42 |
600 |
1150 |
300 |
500 |
1130 |
910 |
2070 |
|
1800 |
670 |
2260 |
2105 |
2020 |
118 |
5 |
44 |
72 |
42 |
600 |
1150 |
300 |
500 |
1130 |
910 |
2070 |
|
2000 |
760 |
2460 |
2305 |
2220 |
128 |
5 |
48 |
72 |
42 |
600 |
1240 |
360 |
560 |
1250 |
910 |
2275 |
