三偏心全金属法兰双向压蝶阀
产品简介
三偏心全金属法兰双向压蝶阀系列是长寿命、节能型蝶阀,其结构采用三维偏心原理设计,阀座采用硬软密封兼容的多层次结构或者全金属密封结构,是一种能在较高温度和较高压力环境下使用的高性能蝶阀产品。被广泛地应用于石油、化工、冶金、电力、供热、市政供水以及给排水等腐蚀性介质的管道上,作为截止或调节介质流量使用。
销售热线:
产品详情
工作原理 Principle Of Operation
三重偏心蝶阀具有双向无气泡紧密关闭性能。这种几何形状保证阀瓣密封只是在关闭位置时才与阀体阀座接触,因此不会产生摩擦和磨损,并且产生一种扭矩使得弹性密封具有足够的“焊接”性能,确保密封接触的均匀一致性。
材质清单 Material list
|
序号 ITEM |
零件Component |
碳素钢 Carbon Steel |
不锈钢 Stainless Steel |
|
1 |
下法兰螺母Flange Nut |
35A194-2H |
06Cr19Ni10 304 |
|
2 |
下法兰螺栓Flange Stud |
45A193-B7 |
06Cr19Ni10 304 |
|
3 |
下法兰Flange |
25A29M 1025 |
06Cr17Ni12Mo2316 |
|
4 |
金属缠绕垫Gasket |
06Cr19Ni10+石墨 304+Graphite |
06Cr17Ni12Mo2+石墨 316+Graphite |
|
5 |
防冲出环Locking Ring |
2Cr13 A276 420 |
06Cr17Ni12Mo2 316 |
|
6 |
阀杆Stem |
2Cr13 A276 420 |
17-4PH |
|
7 |
过滤网 Screen |
06Cr19Ni10304 |
06Cr17Ni12Mo2 316 |
|
8 |
轴套 Sleeve |
2Cr13 A276 420 |
06Cr17Ni12Mo2 316 |
|
9 |
销 Pin |
06Cr19Ni10 304 |
17-4PH |
|
10 |
蝶板 Disc |
A216 WCB |
CF8M |
|
11 |
密封环 Seal Ring |
2Cr13 A276 420 |
06Cr17Ni12Mo2 316 |
|
12 |
阀体 Body |
A216 WCB |
CF8M |
|
13 |
支架 Yoke |
A216 WCB |
A216 WCB |
|
14 |
六角头螺钉 Hex Head |
8.8A193-B7 |
06Cr19Ni10 304 |
|
15 |
轴套 Sleeve |
2Cr13 A276 420 |
06Cr17Ni12Mo2 316 |
|
16 |
过滤网 Screen |
06Cr19Ni10 304 |
06Cr17Ni12Mo2 316 |
|
17 |
阀杆 Stem |
2Cr13 A276 420 |
17-4PH |
|
18 |
填料环 Packing Ring |
2Cr13 A276 420 |
06Cr17Ni12Mo2 316 |
|
19 |
执行器连接垫圈 Washer |
65Mn A29M 5140 |
65Mn A29M 5140 |
|
20 |
执行器连接螺栓 Cap screw |
8.8A193-B7 |
8.8A193-B7 |
|
21 |
填料螺母 Packing Nut |
35A194-2H |
06Cr19Ni10 304 |
|
22 |
填料螺栓 Packing Bolt |
45A193-B7 |
06Cr19Ni10 304 |
|
23 |
填料压板 Packing Plate |
25A29M 1025 |
06Cr19Ni10 304 |
|
24 |
填料压盖 Packing Gland |
25A29M 1025 |
06Cr19Ni10 304 |
|
25 |
填料 Packing |
高碳纤维 High carbon fiber |
高碳纤维 High carbon fiber |
|
26 |
蝶板压环 Disc Pressure Ring |
45A29M 1045 |
06Cr17Ni12Mo2 316 |
|
27 |
沉头螺钉Cap screw |
8.8A193-B7 |
06Cr17Ni12Mo2 316 |
阀门流量系数(Cv值) Valve Flow coefficent(Cv Value)
|
公称通径 DN |
Class 150LB |
Class 300LB |
|||||||||||||||||
|
10° |
20° |
30° |
40° |
50° |
60° |
70° |
80° |
90° |
10° |
20° |
30° |
40° |
50° |
60° |
70° |
80° |
90° |
||
|
mm |
inch |
||||||||||||||||||
|
80 |
3 |
6 |
23 |
39 |
54 |
71 |
96 |
128 |
156 |
165 |
6 |
23 |
39 |
54 |
71 |
96 |
128 |
156 |
165 |
|
100 |
4 |
12 |
42 |
72 |
98 |
130 |
176 |
234 |
285 |
302 |
12 |
42 |
72 |
98 |
130 |
176 |
234 |
285 |
302 |
|
150 |
6 |
31 |
59 |
101 |
178 |
297 |
448 |
616 |
758 |
796 |
25 |
54 |
91 |
162 |
268 |
407 |
559 |
689 |
725 |
|
200 |
8 |
57 |
108 |
185 |
327 |
544 |
821 |
1130 |
1390 |
1460 |
45 |
98 |
166 |
298 |
492 |
746 |
1030 |
1260 |
1330 |
|
250 |
10 |
99 |
187 |
320 |
566 |
942 |
1420 |
1960 |
2410 |
2530 |
82 |
178 |
301 |
540 |
891 |
1350 |
1860 |
2290 |
2410 |
|
300 |
12 |
147 |
279 |
478 |
846 |
1410 |
2120 |
2920 |
3600 |
3780 |
122 |
266 |
450 |
807 |
1330 |
2020 |
2780 |
3420 |
3600 |
|
350 |
14 |
201 |
380 |
651 |
1150 |
1920 |
2890 |
3980 |
4890 |
5140 |
167 |
363 |
613 |
1100 |
1810 |
2750 |
3780 |
4660 |
4900 |
|
400 |
16 |
313 |
594 |
1020 |
1800 |
2990 |
4510 |
6210 |
7640 |
8020 |
248 |
539 |
910 |
1630 |
2690 |
4090 |
5610 |
6920 |
7280 |
|
450 |
18 |
413 |
782 |
1340 |
2370 |
3940 |
5940 |
8180 |
10100 |
10600 |
326 |
710 |
1200 |
2150 |
3550 |
5380 |
7400 |
9110 |
9590 |
|
500 |
20 |
509 |
965 |
1650 |
2920 |
4860 |
7340 |
10100 |
12400 |
13000 |
403 |
876 |
1480 |
2650 |
4380 |
6640 |
9130 |
11300 |
11800 |
|
600 |
24 |
734 |
1390 |
2380 |
4210 |
7000 |
10600 |
14500 |
17900 |
18800 |
580 |
1260 |
2130 |
3820 |
6310 |
9570 |
13100 |
16200 |
17100 |
|
700 |
28 |
1060 |
2010 |
3450 |
6100 |
10100 |
15300 |
21100 |
25900 |
27200 |
844 |
1840 |
3100 |
5560 |
9190 |
13900 |
19100 |
23600 |
24800 |
|
750 |
30 |
1200 |
2270 |
3880 |
6870 |
11400 |
17200 |
23700 |
29200 |
30700 |
986 |
2150 |
3620 |
6490 |
10700 |
16300 |
22400 |
27500 |
29000 |
|
800 |
32 |
1370 |
2590 |
4440 |
7840 |
13000 |
19700 |
27100 |
33300 |
35000 |
1110 |
2420 |
4080 |
7310 |
12100 |
18300 |
25200 |
31000 |
32600 |
|
900 |
36 |
1680 |
3180 |
5450 |
9630 |
16000 |
24200 |
33300 |
40900 |
43000 |
1410 |
3070 |
5190 |
9300 |
15400 |
23300 |
32000 |
39400 |
41500 |
|
1000 |
40 |
2220 |
4210 |
7210 |
12700 |
21200 |
31900 |
44000 |
54100 |
56900 |
1700 |
3690 |
6230 |
11200 |
18400 |
28000 |
38400 |
47400 |
49900 |
|
1050 |
42 |
2340 |
4440 |
7610 |
13400 |
22400 |
33700 |
46500 |
57100 |
60000 |
1940 |
4230 |
7140 |
12800 |
21100 |
32000 |
44000 |
54200 |
57100 |
|
1200 |
48 |
3120 |
5920 |
10100 |
17900 |
29800 |
45000 |
61900 |
76100 |
80000 |
2040 |
4440 |
7500 |
13400 |
22200 |
33700 |
46300 |
57000 |
60000 |
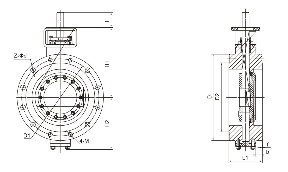
主要连接尺寸 Main dimensionsPN0.6MPa
|
公称通径 DN(mm) |
L1 |
D |
D1 |
D2 |
b |
f |
Z-Φd |
M |
N |
d1 |
Dn |
H1 |
H2 |
H |
|
50 |
108 |
140 |
110 |
90 |
16 |
2 |
4-Φ14 |
12 |
4 |
47 |
57 |
193 |
94 |
20 |
|
80 |
114 |
190 |
150 |
128 |
18 |
2 |
4-Φ18 |
16 |
4 |
78 |
90 |
221 |
118 |
25 |
|
100 |
127 |
210 |
170 |
148 |
18 |
2 |
4-Φ18 |
16 |
4 |
96 |
110 |
243 |
130 |
30 |
|
125 |
140 |
240 |
200 |
178 |
18 |
2 |
4-Φ18 |
16 |
8 |
121 |
135 |
261 |
153 |
35 |
|
150 |
140 |
265 |
225 |
202 |
20 |
2 |
4-Φ18 |
16 |
8 |
146 |
161 |
273 |
165 |
40 |
|
200 |
152 |
320 |
280 |
258 |
22 |
2 |
4-Φ18 |
16 |
8 |
202 |
222 |
309 |
198 |
45 |
|
250 |
165 |
375 |
335 |
312 |
24 |
2 |
8-Φ18 |
16 |
12 |
245 |
278 |
337 |
235 |
50 |
|
300 |
178 |
440 |
395 |
365 |
24 |
2 |
8-Φ22 |
20 |
12 |
303 |
330 |
382.5 |
274.5 |
67 |
|
350 |
190 |
490 |
445 |
415 |
24 |
2 |
8-Φ22 |
20 |
12 |
351 |
382 |
435 |
314 |
81 |
|
400 |
216 |
540 |
495 |
465 |
24 |
2 |
12-Φ22 |
20 |
16 |
398 |
432 |
457 |
344 |
87 |
|
450 |
222 |
595 |
550 |
520 |
24 |
2 |
12-Φ22 |
20 |
16 |
450 |
484 |
510 |
369 |
98 |
|
500 |
229 |
645 |
600 |
570 |
26 |
2 |
16-Φ22 |
20 |
20 |
501 |
535 |
579 |
410.5 |
105 |
|
600 |
267 |
755 |
705 |
670 |
26 |
2 |
16-Φ26 |
24 |
20 |
602 |
636 |
635 |
472.5 |
117 |
|
700 |
292 |
860 |
810 |
775 |
26 |
5 |
20-Φ26 |
24 |
24 |
692 |
726 |
671 |
529.5 |
117 |
|
800 |
318 |
975 |
920 |
880 |
26 |
5 |
20-Φ30 |
27 |
24 |
792 |
826 |
800 |
648 |
120 |
|
900 |
330 |
1075 |
1020 |
980 |
26 |
5 |
20-Φ30 |
27 |
24 |
892 |
926 |
862 |
708.0 |
128 |
|
1000 |
410 |
1175 |
1120 |
1080 |
26 |
5 |
24-Φ30 |
27 |
28 |
992 |
1028 |
955 |
766.2 |
170 |
|
1200 |
470 |
1405 |
1340 |
1295 |
28 |
5 |
28-Φ33 |
30 |
32 |
1192 |
1228 |
1088 |
884 |
182 |
|
1400 |
530 |
1630 |
1560 |
1510 |
32 |
5 |
32-Φ36 |
33 |
36 |
1392 |
1428 |
1188 |
1022 |
202 |
|
1600 |
600 |
1830 |
1760 |
1710 |
34 |
5 |
36-Φ36 |
33 |
40 |
1592 |
1628 |
1227 |
1095 |
245 |
|
1800 |
670 |
2045 |
1970 |
1920 |
36 |
5 |
40-Φ39 |
36 |
44 |
1792 |
1828 |
1300 |
1165 |
245 |
|
2000 |
760 |
2265 |
2180 |
2125 |
38 |
5 |
44-Φ42 |
39 |
48 |
1992 |
2028 |
1390 |
1280 |
245 |
|
2200 |
800 |
2475 |
2390 |
2330 |
60 |
6 |
48-Φ48 |
42 |
52 |
2192 |
2228 |
1504 |
1320 |
245 |
|
2400 |
850 |
2685 |
2600 |
2540 |
62 |
6 |
52-Φ48 |
42 |
56 |
2392 |
2428 |
1750 |
1425 |
245 |
|
2600 |
900 |
2900 |
2810 |
2740 |
64 |
6 |
56-Φ54 |
48 |
60 |
2592 |
2628 |
1910 |
1540 |
245 |
|
2800 |
950 |
3110 |
3020 |
2950 |
68 |
6 |
60-Φ54 |
48 |
64 |
2792 |
2828 |
2103 |
1640 |
245 |
|
3000 |
1000 |
3310 |
3220 |
3150 |
70 |
6 |
64-Φ54 |
48 |
68 |
2992 |
3028 |
2234 |
1740 |
245 |
主要连接尺寸 Main dimensionsPN1.0MPa
|
公称通径 DN(mm) |
L1 |
D |
D1 |
D2 |
b |
f |
Z-Φd |
M |
N |
d1 |
Dn |
H1 |
H2 |
H |
|
50 |
108 |
165 |
125 |
102 |
20 |
2 |
4-Φ18 |
16 |
4 |
47 |
57 |
193 |
94 |
20 |
|
80 |
114 |
200 |
160 |
138 |
20 |
2 |
4-Φ18 |
16 |
8 |
78 |
90 |
221 |
118 |
25 |
|
100 |
127 |
220 |
180 |
158 |
22 |
2 |
4-Φ18 |
16 |
8 |
96 |
110 |
243 |
130 |
30 |
|
125 |
140 |
250 |
210 |
188 |
22 |
2 |
4-Φ18 |
16 |
8 |
121 |
135 |
261 |
153 |
35 |
|
150 |
140 |
285 |
240 |
212 |
24 |
2 |
4-Φ22 |
20 |
8 |
146 |
161 |
273 |
165 |
40 |
|
200 |
152 |
340 |
295 |
268 |
24 |
2 |
4-Φ22 |
20 |
8 |
202 |
222 |
309 |
198 |
45 |
|
250 |
165 |
395 |
350 |
320 |
26 |
2 |
8-Φ22 |
20 |
12 |
245 |
278 |
337 |
235 |
50 |
|
300 |
178 |
445 |
400 |
370 |
26 |
2 |
8-Φ22 |
20 |
12 |
303 |
330 |
382.5 |
274.5 |
67 |
|
350 |
190 |
505 |
460 |
430 |
26 |
2 |
12-Φ22 |
20 |
16 |
351 |
382 |
435 |
314 |
81 |
|
400 |
216 |
565 |
515 |
482 |
26 |
2 |
12-Φ26 |
24 |
16 |
398 |
432 |
457 |
344 |
87 |
|
450 |
222 |
615 |
565 |
532 |
28 |
2 |
16-Φ26 |
24 |
20 |
450 |
484 |
510 |
369 |
98 |
|
500 |
229 |
670 |
620 |
585 |
28 |
2 |
16-Φ26 |
24 |
20 |
501 |
535 |
579 |
410.5 |
105 |
|
600 |
267 |
780 |
725 |
685 |
34 |
2 |
16-Φ30 |
27 |
20 |
602 |
636 |
635 |
472.5 |
117 |
|
700 |
292 |
895 |
840 |
800 |
34 |
5 |
20-Φ30 |
27 |
24 |
692 |
726 |
671 |
529.5 |
117 |
|
800 |
318 |
1015 |
950 |
905 |
36 |
5 |
20-Φ33 |
30 |
24 |
792 |
826 |
800 |
648 |
120 |
|
900 |
330 |
1115 |
1050 |
1005 |
38 |
5 |
24-Φ33 |
30 |
28 |
892 |
926 |
862 |
708.2 |
128 |
|
1000 |
410 |
1230 |
1160 |
1110 |
38 |
5 |
24-Φ36 |
33 |
28 |
992 |
1028 |
955 |
766.2 |
170 |
|
1200 |
470 |
1455 |
1380 |
1330 |
44 |
5 |
28-Φ39 |
36 |
30 |
1192 |
1228 |
1088 |
884 |
182 |
|
1400 |
530 |
1675 |
1590 |
1535 |
48 |
5 |
32-Φ42 |
39 |
36 |
1392 |
1428 |
1188 |
1022 |
202 |
|
1600 |
600 |
1915 |
1820 |
1760 |
52 |
5 |
36-Φ48 |
45 |
40 |
1592 |
1628 |
1227 |
1095 |
245 |
|
1800 |
670 |
2115 |
2020 |
1960 |
56 |
5 |
40-Φ48 |
45 |
44 |
1792 |
1828 |
1300 |
1165 |
245 |
|
2000 |
760 |
2325 |
2230 |
2170 |
60 |
5 |
44-Φ48 |
45 |
48 |
1992 |
2028 |
1390 |
1280 |
245 |
主要连接尺寸 Main dimensionsPN1.6MPa
|
公称通径 DN(mm) |
L1 |
D |
D1 |
D2 |
b |
f |
N |
Z-Φd |
M |
d1 |
Dn |
H1 |
H2 |
H |
|
50 |
108 |
165 |
125 |
102 |
20 |
2 |
4 |
4-Φ18 |
16 |
47 |
57 |
193 |
94 |
20 |
|
80 |
114 |
200 |
160 |
138 |
20 |
2 |
8 |
4-Φ18 |
16 |
78 |
90 |
221 |
118 |
25 |
|
100 |
127 |
220 |
180 |
158 |
22 |
2 |
8 |
4-Φ18 |
16 |
96 |
110 |
243 |
130 |
30 |
|
125 |
140 |
250 |
210 |
188 |
22 |
2 |
8 |
4-Φ18 |
16 |
121 |
135 |
261 |
153 |
35 |
|
150 |
140 |
285 |
240 |
212 |
24 |
2 |
8 |
4-Φ22 |
20 |
146 |
161 |
273 |
165 |
40 |
|
200 |
152 |
340 |
295 |
268 |
24 |
2 |
12 |
8-Φ22 |
20 |
202 |
222 |
309 |
198 |
45 |
|
250 |
165 |
405 |
355 |
320 |
26 |
2 |
12 |
8-Φ26 |
24 |
245 |
278 |
337 |
235 |
50 |
|
300 |
178 |
460 |
410 |
378 |
28 |
2 |
12 |
8-Φ26 |
24 |
303 |
330 |
382.5 |
274.5 |
67 |
|
350 |
190 |
520 |
470 |
438 |
30 |
2 |
16 |
12-Φ26 |
24 |
351 |
382 |
435 |
314 |
81 |
|
400 |
216 |
580 |
525 |
490 |
32 |
2 |
16 |
12-Φ30 |
27 |
398 |
432 |
457 |
344 |
87 |
|
450 |
222 |
640 |
585 |
550 |
34 |
2 |
20 |
16-Φ30 |
27 |
450 |
484 |
510 |
369 |
98 |
|
500 |
229 |
715 |
650 |
610 |
36 |
2 |
20 |
16-Φ33 |
30 |
501 |
535 |
579 |
410.5 |
105 |
|
600 |
267 |
840 |
770 |
725 |
38 |
2 |
20 |
16-Φ36 |
33 |
602 |
636 |
635 |
472.5 |
117 |
|
700 |
292 |
910 |
840 |
795 |
40 |
5 |
24 |
20-Φ36 |
33 |
692 |
726 |
671 |
529.5 |
117 |
|
800 |
318 |
1025 |
950 |
900 |
42 |
5 |
24 |
20-Φ39 |
36 |
792 |
826 |
800 |
648 |
120 |
|
900 |
330 |
1125 |
1050 |
1000 |
44 |
5 |
28 |
24-Φ39 |
36 |
892 |
926 |
862 |
708.2 |
128 |
|
1000 |
410 |
1255 |
1170 |
1115 |
46 |
5 |
28 |
24-Φ42 |
39 |
992 |
1028 |
955 |
766.2 |
170 |
|
1200 |
470 |
1485 |
1390 |
1330 |
52 |
5 |
32 |
28-Φ48 |
45 |
1192 |
1228 |
1088 |
884 |
182 |
|
1400 |
530 |
1685 |
1590 |
1530 |
58 |
5 |
36 |
32-Φ48 |
45 |
1392 |
1428 |
1188 |
1022 |
202 |
|
1600 |
600 |
1930 |
1820 |
1750 |
64 |
5 |
40 |
36-Φ55 |
52 |
1592 |
1628 |
1227 |
1095 |
245 |
|
1800 |
670 |
2130 |
2020 |
1950 |
68 |
5 |
44 |
40-Φ55 |
52 |
1792 |
1828 |
1300 |
1165 |
245 |
|
2000 |
760 |
2345 |
2230 |
2150 |
70 |
5 |
48 |
44-Φ60 |
56 |
1992 |
2028 |
1390 |
1280 |
245 |
主要连接尺寸 Main dimensionsPN2.5MPa
|
公称通径 DN(mm) |
L1 |
D |
D1 |
D2 |
b |
f |
N |
Z-Φd |
M |
d1 |
Dn |
H1 |
H2 |
H |
|
50 |
108 |
165 |
125 |
102 |
20 |
2 |
4 |
4-Φ18 |
16 |
47 |
57 |
193 |
94 |
20 |
|
80 |
114 |
200 |
160 |
138 |
24 |
2 |
8 |
4-Φ18 |
16 |
78 |
90 |
221 |
118 |
25 |
|
100 |
127 |
235 |
190 |
162 |
24 |
2 |
8 |
4-Φ22 |
20 |
96 |
110 |
243 |
130 |
30 |
|
125 |
140 |
270 |
220 |
188 |
26 |
2 |
8 |
4-Φ26 |
24 |
121 |
135 |
261 |
153 |
35 |
|
150 |
140 |
300 |
250 |
218 |
28 |
2 |
8 |
4-Φ26 |
24 |
146 |
161 |
273 |
165 |
40 |
|
200 |
152 |
360 |
310 |
278 |
30 |
2 |
12 |
8-Φ26 |
24 |
202 |
222 |
309 |
198 |
45 |
|
250 |
165 |
425 |
370 |
335 |
32 |
2 |
12 |
8-Φ30 |
27 |
245 |
278 |
337 |
235 |
50 |
|
300 |
178 |
485 |
430 |
395 |
34 |
2 |
16 |
12-Φ30 |
27 |
303 |
330 |
382.5 |
274.5 |
67 |
|
350 |
190 |
555 |
490 |
450 |
38 |
2 |
16 |
12-Φ33 |
30 |
351 |
382 |
435 |
314 |
81 |
|
400 |
216 |
620 |
550 |
505 |
40 |
2 |
16 |
12-Φ36 |
33 |
398 |
432 |
457 |
344 |
87 |
|
450 |
222 |
670 |
600 |
555 |
46 |
2 |
20 |
16-Φ36 |
33 |
450 |
484 |
510 |
369 |
98 |
|
500 |
229 |
730 |
660 |
615 |
48 |
2 |
20 |
16-Φ36 |
33 |
501 |
535 |
579 |
410.5 |
105 |
|
600 |
267 |
845 |
770 |
720 |
58 |
2 |
20 |
16-Φ39 |
36 |
602 |
636 |
635 |
472.5 |
117 |
|
700 |
292 |
960 |
875 |
820 |
50 |
5 |
24 |
20-Φ42 |
39 |
692 |
726 |
671 |
529.5 |
117 |
|
800 |
318 |
1085 |
990 |
930 |
54 |
5 |
24 |
20-Φ48 |
45 |
792 |
826 |
800 |
648 |
120 |
|
900 |
330 |
1185 |
1090 |
1030 |
58 |
5 |
28 |
24-Φ48 |
45 |
892 |
926 |
862 |
708.2 |
128 |
|
1000 |
410 |
1320 |
1210 |
1140 |
62 |
5 |
28 |
24-Φ55 |
52 |
992 |
1028 |
955 |
766.2 |
170 |
|
1200 |
470 |
1530 |
1420 |
1350 |
70 |
5 |
32 |
28-Φ55 |
52 |
1192 |
1228 |
1088 |
884 |
182 |
|
1400 |
530 |
1755 |
1640 |
1560 |
76 |
5 |
36 |
32-Φ60 |
56 |
1392 |
1428 |
1171 |
985 |
245 |
|
1600 |
600 |
1975 |
1860 |
1780 |
84 |
5 |
40 |
36-Φ60 |
56 |
1592 |
1628 |
1237 |
1075 |
245 |
|
1800 |
670 |
2195 |
2070 |
1985 |
90 |
5 |
44 |
40-Φ68 |
64 |
1792 |
1828 |
1390 |
1190 |
245 |
|
2000 |
760 |
2425 |
2300 |
2210 |
96 |
5 |
48 |
44-Φ68 |
64 |
1992 |
2028 |
1515 |
1305 |
245 |
主要连接尺寸 Main dimensionsPN4.0MPa
|
公称通径 DN(mm) |
L1 |
D |
D1 |
D2 |
b |
f |
N |
Z-Φd |
M |
d1 |
Dn |
H1 |
H2 |
H |
|
50 |
150 |
165 |
125 |
102 |
20 |
2 |
4 |
4-Φ18 |
16 |
47 |
57 |
135 |
120 |
30 |
|
80 |
180 |
200 |
160 |
138 |
24 |
2 |
8 |
4-Φ18 |
16 |
78 |
90 |
165 |
135 |
34 |
|
100 |
190 |
235 |
190 |
162 |
24 |
2 |
8 |
4-Φ22 |
20 |
96 |
110 |
204 |
155 |
34 |
|
125 |
200 |
270 |
220 |
188 |
26 |
2 |
8 |
4-Φ26 |
24 |
120 |
135 |
230 |
175 |
34 |
|
150 |
210 |
300 |
250 |
218 |
28 |
2 |
8 |
4-Φ26 |
24 |
145 |
161 |
270 |
195 |
64 |
|
200 |
230 |
375 |
320 |
285 |
34 |
2 |
12 |
8-Φ30 |
27 |
200 |
222 |
304 |
235 |
64 |
|
250 |
250 |
450 |
385 |
345 |
38 |
2 |
12 |
8-Φ33 |
30 |
252 |
278 |
319 |
275 |
79 |
|
300 |
270 |
515 |
450 |
410 |
42 |
2 |
16 |
12-Φ33 |
30 |
301 |
330 |
409 |
310 |
79 |
|
350 |
290 |
580 |
510 |
465 |
46 |
2 |
16 |
12-Φ36 |
33 |
351 |
382 |
499 |
350 |
109 |
|
400 |
310 |
660 |
585 |
535 |
50 |
2 |
16 |
12-Φ39 |
36 |
398 |
432 |
515 |
400 |
109 |
|
450 |
330 |
685 |
610 |
560 |
57 |
2 |
20 |
16-Φ39 |
36 |
448 |
484 |
486 |
410 |
109 |
|
500 |
350 |
755 |
670 |
615 |
57 |
2 |
20 |
16-Φ42 |
39 |
495 |
535 |
531 |
455 |
129 |
|
600 |
390 |
890 |
795 |
735 |
72 |
2 |
20 |
16-Φ48 |
45 |
595 |
636 |
629 |
530 |
129 |
主要连接尺寸 Main dimensionsPN6.4MPa
|
公称通径 DN(mm) |
L1 |
D |
D1 |
D2 |
b |
f |
N |
Z-Φd |
M |
d1 |
Dn |
H1 |
H2 |
H |
|
50 |
150 |
180 |
135 |
102 |
26 |
2 |
4 |
4-Φ22 |
20 |
47 |
57 |
135 |
120 |
30 |
|
80 |
180 |
215 |
170 |
138 |
28 |
2 |
8 |
4-Φ22 |
20 |
77 |
90 |
175 |
145 |
34 |
|
100 |
190 |
250 |
200 |
162 |
30 |
2 |
8 |
4-Φ26 |
24 |
94 |
110 |
214 |
165 |
34 |
|
125 |
200 |
295 |
240 |
188 |
34 |
2 |
8 |
4-Φ30 |
27 |
118 |
135 |
250 |
195 |
64 |
|
150 |
210 |
345 |
280 |
218 |
36 |
2 |
8 |
4-Φ33 |
30 |
142 |
161 |
300 |
225 |
64 |
|
200 |
230 |
415 |
345 |
285 |
42 |
2 |
12 |
8-Φ36 |
33 |
198 |
222 |
334 |
265 |
79 |
|
250 |
250 |
470 |
400 |
345 |
46 |
2 |
12 |
8-Φ36 |
33 |
246 |
278 |
339 |
295 |
79 |
|
300 |
270 |
530 |
460 |
410 |
52 |
2 |
16 |
12-Φ36 |
33 |
294 |
330 |
424 |
325 |
109 |
|
350 |
290 |
600 |
525 |
465 |
56 |
2 |
16 |
12-Φ39 |
36 |
342 |
382 |
414 |
365 |
109 |
|
400 |
310 |
670 |
585 |
535 |
60 |
2 |
16 |
12-Φ42 |
39 |
368 |
432 |
520 |
405 |
129 |
|
500 |
350 |
800 |
705 |
615 |
68 |
2 |
20 |
16-Φ48 |
45 |
485 |
535 |
556 |
480 |
129 |
|
600 |
390 |
930 |
820 |
735 |
76 |
2 |
20 |
16-Φ56 |
52 |
585 |
636 |
654 |
555 |
179 |
主要连接尺寸 Main dimensionsClass 150LB
|
公称通径 DN(mm) |
L1 |
D |
D1 |
D2 |
b(Min) |
f |
N |
Z-Φd |
M(in) |
d1 |
Dn |
H1 |
H2 |
H |
|
|
2" |
50 |
108 |
150 |
120.7 |
92.1 |
17.5 |
2 |
4 |
4-Φ19 |
5/8-11UNC-2B |
52.5 |
60.3 |
193 |
94 |
20 |
|
3" |
80 |
114 |
190 |
152.4 |
127 |
22.3 |
2 |
4 |
4-Φ19 |
5/8-11UNC-2B |
77.9 |
88.9 |
221 |
118 |
25 |
|
4" |
100 |
127 |
230 |
190.5 |
157.2 |
22.3 |
2 |
8 |
4-Φ19 |
5/8-11UNC-2B |
102.3 |
114.3 |
243 |
130 |
30 |
|
5" |
125 |
140 |
255 |
245.9 |
185.7 |
22.3 |
2 |
8 |
4-Φ22 |
3/4-10UNC-2B |
128.2 |
139.7 |
261 |
153 |
35 |
|
6" |
150 |
140 |
280 |
241.3 |
215.9 |
23.9 |
2 |
8 |
4-Φ22 |
3/4-10UNC-2 |
B154.1 |
168.3 |
273 |
165 |
40 |
|
8" |
200 |
152 |
345 |
298.5 |
269.9 |
27 |
2 |
8 |
4-Φ22 |
3/4-10UNC-2 |
B202.7 |
219.1 |
309 |
198 |
45 |
|
10" |
250 |
165 |
405 |
362 |
323.8 |
28.6 |
2 |
12 |
8-Φ26 |
7/8-9UNC-2B |
254.5 |
273 |
337 |
235 |
50 |
|
12" |
300 |
178 |
485 |
431.8 |
381 |
30.2 |
2 |
12 |
8-Φ26 |
7/8-9UNC-2B |
304.8 |
323.9 |
382.5 |
274.5 |
67 |
|
14" |
350 |
190 |
535 |
476.3 |
412.8 |
33.4 |
2 |
12 |
8-Φ29 |
1-8UNC-2B |
336.6 |
355.6 |
435 |
314 |
81 |
|
16" |
400 |
216 |
595 |
539.8 |
469.9 |
35 |
2 |
16 |
12-Φ29 |
1-8UNC-2B |
387.4 |
406.4 |
457 |
344 |
87 |
|
18" |
450 |
222 |
635 |
577.9 |
533.4 |
38.1 |
2 |
16 |
12-Φ32 |
1-1/8-8UN-2B |
434.9 |
457 |
510 |
369 |
98 |
|
20" |
500 |
229 |
700 |
635 |
584.2 |
41.3 |
2 |
20 |
16-Φ32 |
1-1/8-8UN-2B |
482.6 |
508 |
579 |
410.5 |
105 |
|
24" |
600 |
267 |
815 |
749.3 |
692.2 |
46.1 |
2 |
20 |
16-Φ35 |
1-1/4-8UN-2B |
581.1 |
610 |
635 |
472.5 |
117 |
|
28" |
700 |
292 |
925 |
863.3 |
800 |
69.9 |
2 |
28 |
24-Φ35 |
1-1/4-8UN-2B |
672.7 |
711.2 |
671 |
529.5 |
117 |
|
32" |
800 |
318 |
1060 |
977.9 |
914 |
79.4 |
2 |
28 |
24-Φ42 |
1-1/2-8UN-2B |
770.7 |
812.8 |
800 |
648 |
120 |
|
36" |
900 |
330 |
1170 |
1085.8 |
1022 |
88.9 |
2 |
32 |
28-Φ42 |
1-1/2-8UN-2B |
869.3 |
914.4 |
862 |
708.2 |
128 |
|
40" |
1000 |
410 |
1290 |
1200.2 |
1124 |
88.9 |
2 |
36 |
32-Φ42 |
1-1/2-8UN-2B |
967.3 |
1016 |
955 |
766.2 |
170 |
|
48" |
1200 |
470 |
1510 |
1422.4 |
1359 |
106.4 |
2 |
44 |
40-Φ42 |
1-1/2-8UN-2B |
1164 |
1219.2 |
1088 |
884 |
182 |
主要连接尺寸 Main dimensionsClass 300LB
|
公称通径 DN(mm) |
L1 |
D |
D1 |
D2 |
b(Min) |
f |
N |
Z-Φd |
M(in) |
d1 |
Dn |
H1 |
H2 |
H |
|
|
2" |
50 |
150 |
165 |
127 |
92.1 |
20.7 |
2 |
8 |
4-Φ19 |
5/8-11UNC-2B |
52.5 |
60.3 |
135 |
120 |
30 |
|
3" |
80 |
180 |
210 |
168.3 |
127 |
27 |
2 |
8 |
4-Φ22 |
3/4-10UNC-2B |
77.9 |
88.9 |
159 |
145 |
34 |
|
4" |
100 |
190 |
255 |
200 |
157.2 |
30.2 |
2 |
8 |
4-Φ22 |
3/4-10UNC-2B |
102.3 |
114.3 |
194 |
165 |
34 |
|
5" |
125 |
200 |
280 |
235 |
185.7 |
33.4 |
2 |
8 |
4-Φ22 |
3/4-10UNC-2B |
128.2 |
139.7 |
269 |
200 |
64 |
|
6" |
150 |
210 |
320 |
269.9 |
215.9 |
35 |
2 |
12 |
8-Φ22 |
3/4-10UNC-2B |
154.1 |
168.3 |
269 |
200 |
64 |
|
8" |
200 |
230 |
380 |
330.2 |
269.9 |
39.7 |
2 |
12 |
8-Φ26 |
7/8-9UNC-2B |
202.7 |
219.1 |
285 |
235 |
79 |
|
10" |
250 |
250 |
445 |
387.4 |
323.8 |
46.1 |
2 |
16 |
12-Φ29 |
1-8UNC-2B |
254.5 |
273 |
325 |
275 |
79 |
|
12" |
300 |
270 |
520 |
450.8 |
381 |
49.3 |
2 |
16 |
12-Φ32 |
1-1/8-8UN-2B |
304.8 |
323.9 |
387 |
315 |
79 |
|
14" |
350 |
290 |
585 |
514.4 |
412.8 |
52.4 |
2 |
20 |
16-Φ32 |
1-1/8-8UN-2B |
336.6 |
355.6 |
410 |
350 |
79 |
|
16" |
400 |
310 |
650 |
571.5 |
469.9 |
55.6 |
2 |
20 |
16-Φ35 |
1-1/4-8UN-2B |
387.4 |
406.4 |
465 |
385 |
109 |
|
18" |
450 |
330 |
710 |
628.6 |
533.4 |
58.8 |
2 |
24 |
20-Φ35 |
1-1/4-8UN-2B |
434.9 |
457 |
528 |
415 |
109 |
|
20" |
500 |
350 |
775 |
685.8 |
584.2 |
62 |
2 |
24 |
20-Φ35 |
1-1/4-8UN-2B |
482.6 |
508 |
561 |
450 |
129 |
|
24" |
600 |
390 |
915 |
812.8 |
692.2 |
68.3 |
2 |
24 |
20-Φ42 |
1-1/2-8UN-2B |
581.1 |
610 |
636 |
530 |
129 |
|
28" |
700 |
430 |
1035 |
939.8 |
800 |
84.2 |
2 |
28 |
24-Φ45 |
1-5/8-8UN-2B |
672.7 |
711.2 |
800 |
590 |
199 |
|
32" |
800 |
470 |
1150 |
1054.1 |
914 |
96.9 |
2 |
28 |
24-Φ52 |
1-7/8-8UN-2B |
770.7 |
812.8 |
860 |
720 |
199 |
|
36" |
900 |
510 |
1270 |
1168.4 |
1022 |
103.2 |
2 |
32 |
28-Φ54 |
2-8UN-2B |
869.3 |
914.4 |
940 |
780 |
199 |
|
40" |
1000 |
550 |
1240 |
1155.7 |
1086 |
112.8 |
2 |
32 |
28-Φ45 |
1-5/8-8UN-2B |
967.3 |
1016 |
910 |
750 |
199 |
|
48" |
1200 |
630 |
1465 |
1371.6 |
1302 |
131.8 |
2 |
32 |
28-Φ52 |
1-7/8-8UN-2B |
1164 |
1219.2 |
1000 |
850 |
249 |
主要连接尺寸 Main dimensionsClass 600LB
|
公称通径 DN(mm) |
L1 |
D |
D1 |
D2 |
b(Min) |
f |
N |
Z-Φd |
M(in) |
d1 |
Dn |
H1 |
H2 |
H |
|
|
2" |
50 |
150 |
165 |
127 |
92.1 |
25.4 |
7 |
8 |
4-Φ19 |
5/8-11UNC-2B |
52.5 |
60.3 |
175 |
125 |
40 |
|
3" |
80 |
180 |
210 |
168.3 |
127 |
31.8 |
7 |
8 |
4-Φ22 |
3/4-10UNC-2B |
77.9 |
88.9 |
202 |
145 |
44 |
|
4" |
100 |
190 |
275 |
215.9 |
157.2 |
38.1 |
7 |
8 |
4-Φ26 |
7/8-9UNC-2B |
102.3 |
114.3 |
208 |
180 |
44 |
|
5" |
125 |
200 |
330 |
266.7 |
185.7 |
44.5 |
7 |
8 |
4-Φ29 |
1-8UNC-2B |
128.2 |
139.7 |
235 |
210 |
79 |
|
6" |
150 |
210 |
355 |
292.1 |
215.9 |
47.7 |
7 |
12 |
8-Φ29 |
1-8UNC-2B |
154.1 |
168.3 |
302 |
225 |
79 |
|
8" |
200 |
230 |
420 |
349.2 |
269.9 |
55.6 |
7 |
12 |
8-Φ32 |
1-1/8-8UN-2B |
198.5 |
219.1 |
315 |
265 |
79 |
|
10" |
250 |
250 |
510 |
431.8 |
323.8 |
63.5 |
7 |
16 |
12-Φ35 |
1-1/4-8UN-2B |
247.7 |
273 |
376 |
310 |
79 |
|
12" |
300 |
270 |
560 |
489 |
381 |
66.7 |
7 |
20 |
16-Φ35 |
1-1/4-8UN-2B |
295.3 |
323.9 |
442 |
340 |
109 |
|
14" |
350 |
290 |
605 |
527 |
412.8 |
69.9 |
7 |
20 |
16-Φ39 |
1-3/8-8UN-2B |
325.4 |
355.6 |
457 |
365 |
109 |
|
16" |
400 |
310 |
685 |
603.2 |
469.9 |
76.2 |
7 |
20 |
16-Φ42 |
1-1/2-8UN-2B |
363.5 |
406.4 |
561 |
410 |
129 |
|
18" |
450 |
330 |
745 |
654 |
533.4 |
82.6 |
7 |
20 |
16-Φ45 |
1-5/8-8UN-2B |
409.5 |
457 |
610 |
450 |
129 |
|
20" |
500 |
350 |
815 |
723.9 |
584.2 |
88.9 |
7 |
24 |
20-Φ45 |
1-5/8-8UN-2B |
455.6 |
508 |
645 |
485 |
129 |
|
24" |
600 |
390 |
940 |
838.2 |
692.2 |
101.6 |
7 |
24 |
20-Φ52 |
1-7/8-8UN-2B |
547.7 |
610 |
730 |
555 |
178 |
